AI Detection Camera
last update: October 1, 2025
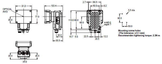
(Unit: mm)
I/O cable (Bend resistant, straight)
FHV-VDB2 []M
I/O cable (Bend resistant, right angle)
FHV-VDLB2 []M
Ethernet cable (Bend resistant, straight)
FHV-VNB2 []M
Ethernet cable (Bend resistant, right angle)
FHV-VNLB2 []M
Bending Resistance Cables (Straight)
FHV-VUB2 []M
Bending Resistance Cables (Right angle)
FHV-VULB2 []M
last update: October 1, 2025