Page top
Industrial Automation
Laser Displacement Sensor
Related Contents
last update: July 1, 2025
(Unit: mm)
ZP-LS025[] ZP-LS050[] ZP-LS100[]
ZP-LS300[] ZP-LS600[]
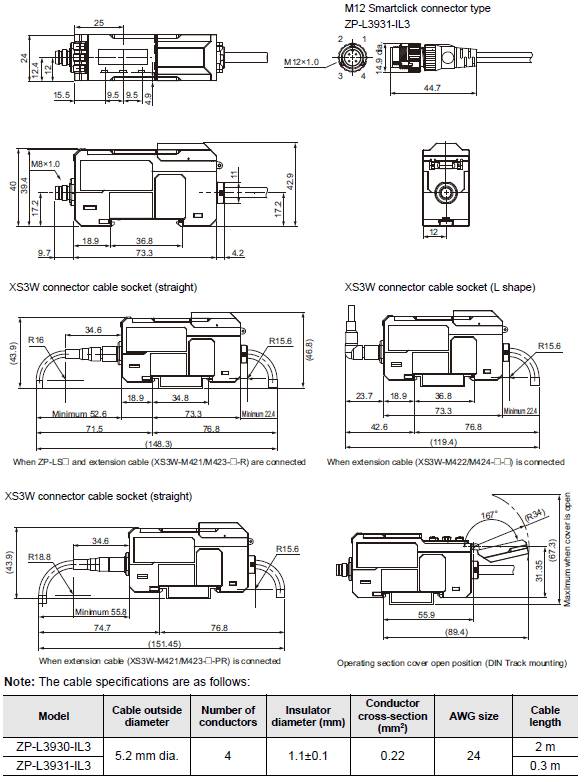
ZP-L30[]0
ZP-L3510 ZP-L3560
ZP-L3590
ZP-EIP
ZP-RSA
ZP-XL1
ZP-XL2
ZP-XL3
ZP-XL4
ZP-XL5
ZP-XL6