Page top

Industrial Automation

Industrial Automation

Discontinued On Mar. 2023

Cobra

SCARA Robots

Cobra

Mid-size SCARA robot for material handling, assembly, precision machining and adhesive application

ACE software is available to download from the Omron US website.

* Information in this page is a reference that you created on the basis of information in the product catalog before the end of production, may be different from the current situation, such as goods for / supported standards options / price / features of the product. Before using, please check the compatibility and safety system.

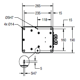
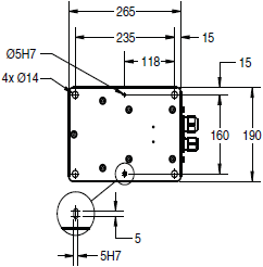
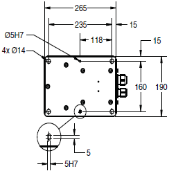
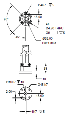
(Unit: mm)

Cobra 450

Cobra Dimensions 1

eMotionBlox-40M

Cobra Dimensions 2

Flange

Cobra Dimensions 3

Footprint

Cobra Dimensions 4

Front panel (option)

Cobra Dimensions 5

Cobra 500

Cobra Dimensions 6

eMotionBlox-40M

Cobra Dimensions 7

Flange

Cobra Dimensions 8

Footprint

Cobra Dimensions 9

Front panel (option)

Cobra Dimensions 10

Cobra 650

Cobra Dimensions 11

eMotionBlox-40M

Cobra Dimensions 12

Flange

Cobra Dimensions 13

Footprint

Cobra Dimensions 14

Front panel (option)

Cobra Dimensions 15