Page top

Industrial Automation

Industrial Automation

ES1-N

Infrared Thermosensor

ES1-N

Measure Workpieces without Physical Contact Non-damaging, Sanitary, and Efficient Temperature Management

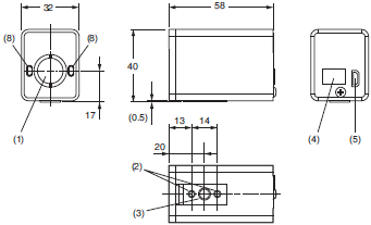
(Unit: mm)

ES1-LP3-N/ES1-LP10-N

ES1-N Dimensions 1

ES1-LW50-N/ES1-LW50L-N

(The ES1-LW50-N does not have the Laser output port (6) and the laser switch (7).)

ES1-N Dimensions 2

ES1-LW100-N/ES1-LW100L-N

(The ES1-LW100-N does not have the Laser output port (6) and the laser switch (7).)

ES1-N Dimensions 3
ES1-N Dimensions 4