Page top

Industrial Automation

Industrial Automation

Discontinued On Mar. 2019

G3RV

Solid State Relays

G3RV

Slimmest OMRON plug-in SSR with maximum width 6.2 mm

* Information in this page is a reference that you created on the basis of information in the product catalog before the end of production, may be different from the current situation, such as goods for / supported standards options / price / features of the product. Before using, please check the compatibility and safety system.

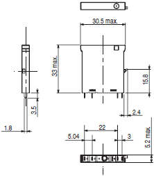
(Unit: mm)

Complete Unit

G3RV-SL700

G3RV Dimensions 2

G3RV-SL500

G3RV Dimensions 3

Solid State Relay

G3RV-D03SL
G3RV-202S(L)

G3RV Dimensions 5