Page top

Industrial Automation

Industrial Automation

D4C

Enclosed Switch

D4C

Sealed, Compact, and Slim-bodied Switch Offers Choice of Many Actuators

(Unit: mm)

Switches

Models without LED indicators are shown in the illustrations and dimensions diagrams. Refer to below for Models with LED Indicators.
The boxes in the model numbers are replaced with the rating and cable type. Refer to Data Sheet for the Model Number Structure.

Standard Models

Pin Plunger
D4C-[][]01

D4C Dimensions 3

Roller Plunger
D4C-[][]02

D4C Dimensions 4

Crossroller Plunger
D4C-[][]03

D4C Dimensions 5

Roller Lever
D4C-[][]20
D4C-[][]20-P

D4C Dimensions 6

Roller Lever (High-Sensitivity Model)
D4C-[][]24
D4C-[][]24-P

D4C Dimensions 7

Note: Unless otherwise specified, a tolerance of ±0.4 mm applies to all dimensions.

D4C Dimensions 9

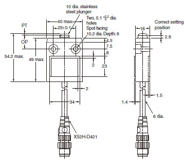
Sealed Plunger
D4C-[][]31

D4C Dimensions 10

Sealed Roller Plunger
D4C-[][]32

D4C Dimensions 11

Sealed Crossroller Plunger
D4C-[][]33

D4C Dimensions 12

Note: Unless otherwise specified, a tolerance of ±0.4 mm applies to all dimensions.

D4C Dimensions 14

* The TT is a reference value.

Plastic rod
D4C-[][]50

D4C Dimensions 15

Center Roller Lever Plunger
D4C-[][]60

D4C Dimensions 16

Note: Unless otherwise specified, a tolerance of ±0.4 mm applies to all dimensions.

D4C Dimensions 18

Models with LED Indicator

The dimensions of the LED indicator for models equipped with one are shown below.

D4C Dimensions 19

Pre-wired Models

Pin Plunger
D4C-[]001-[]K1EJ[]
D4C-[]001-M1J[]

D4C Dimensions 21

Roller Plunger
D4C-[]002-[]K1EJ[]
D4C-[]002-M1J[]

D4C Dimensions 22

Note: Unless otherwise specified, a tolerance of ±0.4 mm applies to all dimensions.

D4C Dimensions 24

Note: Specifications are the same for -M1J Switches.

Sealed Pin Plunger
D4C-[]031-[]K1EJ[]
D4C-[]031-M1J[]

D4C Dimensions 25

Sealed Roller Plunger
D4C-[]032-[]K1EJ[]
D4C-[]032-M1J[]

D4C Dimensions 26

Note: Unless otherwise specified, a tolerance of ±0.4 mm applies to all dimensions.

D4C Dimensions 28

Note: Specifications are the same for -M1J Switches

Roller Lever (High-sensitivity Model)
D4C-[]024-[]K1EJ[]
D4C-[]024-M1J[]

D4C Dimensions 29

Note: Unless otherwise specified, a tolerance of ±0.4 mm applies to all dimensions.

D4C Dimensions 31

Note: Specifications are the same for -M1J Switches

Weather-resistant Models

Adjustable Roller Lever
D4C-[][]27-P

D4C Dimensions 33

Adjustable Rod Lever
D4C-[][]29-P

D4C Dimensions 34

Note: Unless otherwise specified, a tolerance of ±0.4 mm applies to all dimensions.

D4C Dimensions 36

* Operation characteristics for the D4C-[][]27-P and D4C-[][]29-P are for a lever length of 38 mm.