Page top

Industrial Automation

Industrial Automation

S8VK-C

Switch Mode Power Supply (60/120/240/480-W Models)

S8VK-C

Cost-effective Single Phase Power Supply Universal input and Safety standards for worldwide applications Space-saving Compact Design

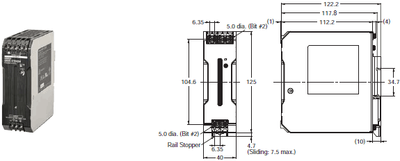
(Unit: mm)

S8VK-C06024 (60 W)

S8VK-C Dimensions 1

S8VK-C12024 (120 W)

S8VK-C Dimensions 2

S8VK-C24024 (240 W)

S8VK-C Dimensions 3

S8VK-C48024 (480 W)

S8VK-C Dimensions 4

DIN Rail (Order Separately)

Mounting Rail (Material: Aluminum)
PFP-100N
PFP-50N

S8VK-C Dimensions 6

Mounting Rail (Material: Aluminum)
PFP-100N2

S8VK-C Dimensions 7

End Plate
PFP-M

S8VK-C Dimensions 8

Note: If there is a possibility that the Unit will be subject to vibration or shock, use a steel DIN Rail. Otherwise, metallic
           filings may result from aluminum abrasion.

Mounting Brackets

S8VK-C Dimensions 10
S8VK-C Dimensions 11