Page top

Industrial Automation

Industrial Automation

Discontinued On Mar. 2025

FQM1 Series

Flexible Motion Controllers

FQM1 Series

Advanced Power in Three Applications: Motion Control, Measurement Control, and High-speed Response Control

* Information in this page is a reference that you created on the basis of information in the product catalog before the end of production, may be different from the current situation, such as goods for / supported standards options / price / features of the product. Before using, please check the compatibility and safety system.

(Unit: mm)

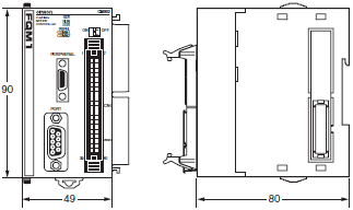
Coordinator Module
FQM1-CM002

FQM1 Series Dimensions 1

Power Supply Units
CJ1W-PA202

FQM1 Series Dimensions 2

Motion Control Modules
FQM1-MMP22/MMA22

FQM1 Series Dimensions 3

Power Supply Units
CJ1W-PA205R

FQM1 Series Dimensions 4

End Module
FQM1-TER01

FQM1 Series Dimensions 5

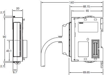
I/O Control Module
FQM1-IC101

FQM1 Series Dimensions 6

Assembled Dimensions

FQM1 Series Dimensions 7

FQM1 Expanded Using CJ-series Units

FQM1 Series Dimensions 8

Height with Cables Connected

Height with Peripheral Port and RS-232C Port Connected

FQM1 Series Dimensions 9

Servo Relay Unit

XW2B-80J7-1A

FQM1 Series Dimensions 11

XW2B-80J7-12A

FQM1 Series Dimensions 12